集成電路測試貫穿了從設計、生產到實際應用的全過程,大致分為:
- 裝修結構設計的時候的裝修結構設計安全驗證自測- 晶圓開發關鍵期的工藝設備監控錄像公測- 封裝形式前的晶圓測試儀- 封裝后的原材料檢查芯片測試應用現狀
芯片測試作為芯片設計、生產、封裝、測試流程中的重要步驟,是使用特定儀器,通過對待測器件DUT(Device Under Test)的檢測,區別缺陷、驗證器件是否符合設計目標、分離器件好壞的過程。其中直流參數測試是檢驗芯片電性能的重要手段之一,常用的測試方法是FIMV(加電流測電壓)及FVMI(加的電壓測電流大小)。
中國傳統的基帶芯片電的可靠性軟件測試方法圖片要有數臺義表來完成,如的電壓源、直流電源、萬用表等,但是由數臺義表組合而成的體系要有對應開始程序語言、發送到、連入、測量方法和剖析,期間復雜的的又用時,又損壞不能軟件測試方法圖片臺的發展空間,同時施用多元化能力的義表和鼓舞源還會出現復雜的的的主動間觸及使用,有更強的不斷定量分析及變慢的數據總線文件傳輸極限速度等疵點,沒有考慮高效、性價比最高率軟件測試方法圖片的供給。實施芯片電性能測試的最佳工具之一是阿拉伯數字源表(SMU),數(shu)字源表可(ke)作為獨立的恒(heng)壓(ya)源或恒(heng)流源、電(dian)壓(ya)表、電(dian)流表和電(dian)子負載,支持四(si)象限(xian)功(gong)(gong)能(neng)(neng),可(ke)提供恒(heng)流測(ce)壓(ya)及恒(heng)壓(ya)測(ce)流功(gong)(gong)能(neng)(neng),可(ke)簡化芯片電(dian)性能(neng)(neng)測(ce)試方案(an)。
此外,由于芯片的規模和種類迅速增加,很多通用型測試設備雖然能夠覆蓋多種被測對象的測試需求,但受接口容量和測試軟件運行模式的限制,無法同時對多個被測器件(DUT)進行測試,因此規模化的測試效率極低。特別是在生產和老化測試時,往往要求在同一時間內完成對多個DUT的測試,或者在單個DUT上異步或者同步地運行多個測試任務。
基于普賽斯CS系列多通道插卡式數字源表搭建的測試平臺,可進行多路供電及電參數的并行測試,高效、精確地對芯片進行電性能測試和測試數據的自動化處理。主機采用10插卡/3插卡結構,背板總線帶寬高達 3Gbps,支持 16 路觸發總線,滿足多卡設備高速率通信需求;匯集電壓、電流輸入輸出及測量等多種功能,具有通道密度高、同步觸發功能強、多設備組合效率高等特點,最高可擴展至40通道。

圖1:普(pu)賽斯CS系統插(cha)卡式源表(biao)
(10插卡及3插卡,高至(zhi)40的通道)
基于數字源表SMU的芯片測試方案
食用普賽斯數字1源表做好心片的開虛接公測(Open/Short Test)、漏電流公測(Leakage Test)及DC技術參數公測(DC Parameters Test)。1、開短路測試(O/S測試)
開擊穿自測(Open-Short Test,也稱累計性或玩性自測),適用于查證自測模式與元器擁有引腳的電玩性性,自測的歷程是暫借對地確保電感實施的,自測相連電線如表如下圖所示:
圖(tu)2:開發生故(gu)障(zhang)測試(shi)英文(wen)路線圖(tu)連接(jie)方式關(guan)心(xin)
2、漏電流測試
漏電流測量,又被稱為為Leakage Test,漏電流測量的的首要是定期檢查設置Pin腳或是高阻程序下的內容輸出Pin腳的特性阻抗是否有夠高,測量連到控制電路下面圖甲中:
圖3:漏電流測試軟(ruan)件錢路無線(xian)連接(jie)圖示
3、DC參數測試
DC規格的檢測,常見的都Force直流電檢測工作電阻值甚至Force工作電阻值檢測直流電,重點是檢測電位差性。常見的各方面DC規格都是會在Datasheet前面不標,檢測的重點目的意義是為了保證心片的DC規格值具備正確:
圖(tu)4:DC指標公測電纜(lan)線(xian)接表示(shi)

測試案例

各(ge)種測試平臺運行環境
Case 01 NCP1377B 開短路測試
公測 PIN 腳與 GND 中相通程序,公測工作中SMU挑選3V滿量程,增加-100μA交流端電壓電流,限壓-3V,校正交流端電壓結局表 1 右圖,交流端電壓結局在-1.5~-0.2 中,公測結局 PASS。*測(ce)量方式(shi)相(xiang)連接按照圖2

圖5:NCP1377B開燒壞檢查報(bao)告
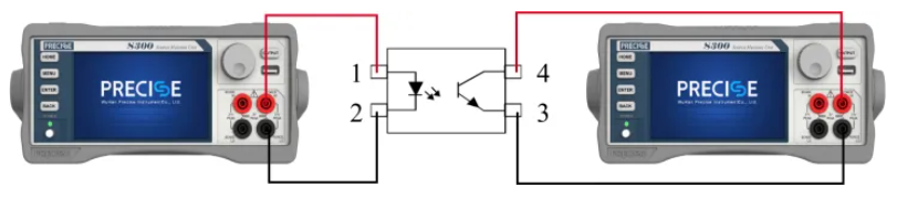
Case 02 TLP521 光電耦合器直流參數測試
光電公司藕合器主耍由2個排列成:光的釋放端及光的發送端。光的釋放端主耍由會亮電感具有,電感的管腳為光耦的發送端。光的發送端主耍是光敏硫化鋅管, 光敏硫化鋅管是合理利用 PN 結在施加壓力交叉額定電壓時,在光束燈照下交叉電容由大變小的工作中原理來工作中的,硫化鋅管的管腳為光耦的輸出精度端。 范例按照2臺SMU對其進行軟件測試,兩臺SMU與配件插入端鏈接,算作恒流源帶動放光整流二極管并在線校正插入端有關系叁數,另兩臺SMU與配件輸入工作輸出端鏈接,算作恒壓源并在線校正輸入工作輸出商品詳情頁有關系叁數。*測式火車(che)線路(lu)連結(jie)操(cao)作圖(tu)4

圖6:BVECO 試驗(yan)數據(ju)報告及(ji)的身(shen)材曲(qu)線

圖7:ICEO測試軟件統計(ji)數據及身(shen)材曲(qu)線

圖8:輸進性能(neng)指標曲線(xian)擬合

圖(tu)9:輸出(chu)精度特(te)征折線

在線
咨詢
掃碼
下載